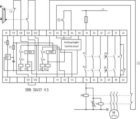
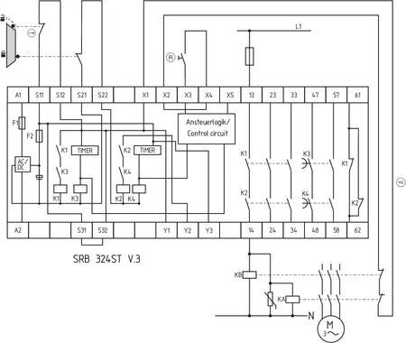
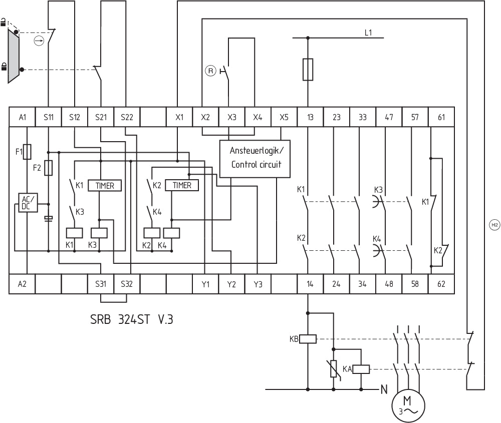
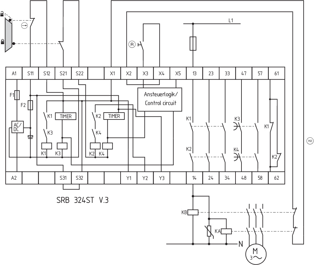
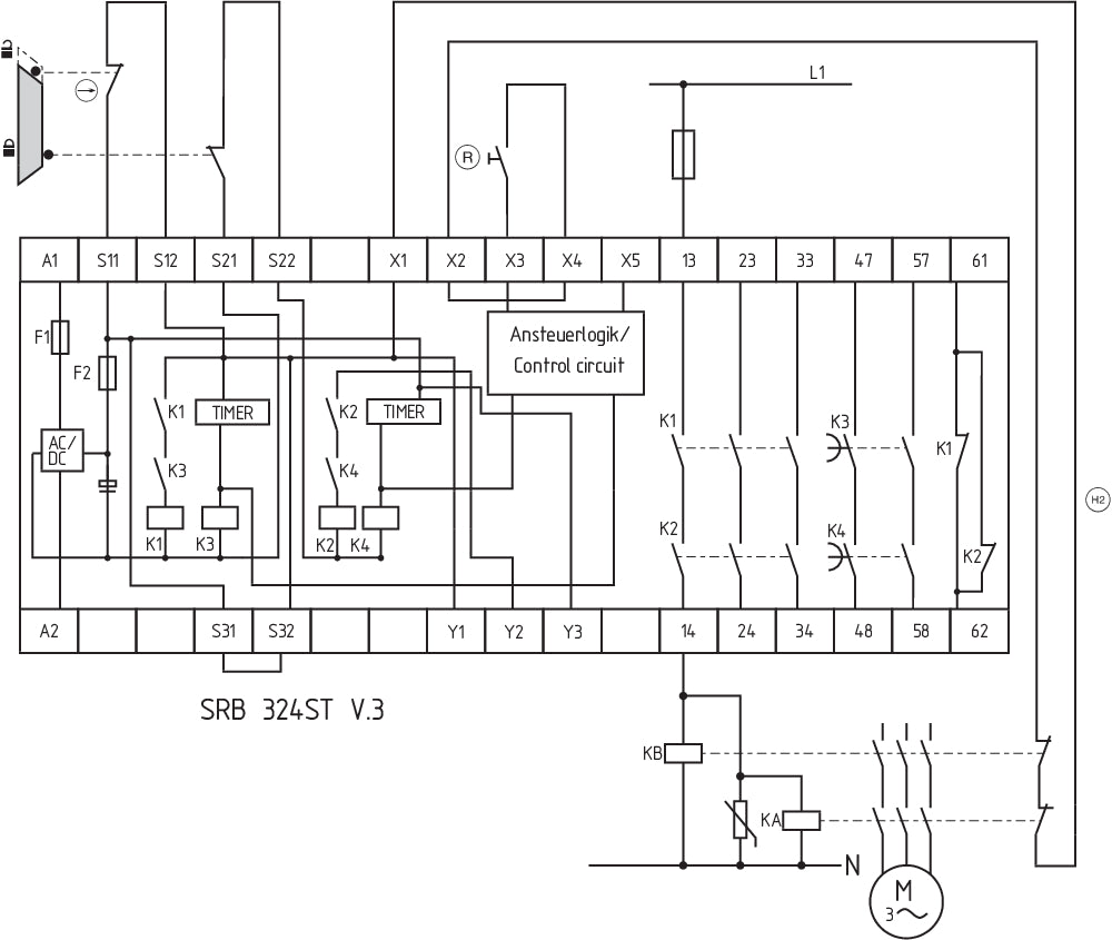
- Valbar: Kortslutningsgenkendelse, manuelt reset md sideregistrering i failsafe-kobling, Automatisk reset-funktion
- Egnet til signalbehandling på potentilfrie kontakter
- Passende til signalbehandling af udgange forbundet til potentielle (AOPDs), dvs. sikkerhedslysbomme/gitre
- 3 sikkerhedskontakter, STOP 0;
2 sikkerhedskontakter, STOP 1 (Justerbar 1 … 30 s) - 4 Signaludgange
- Ideal som afløser for de ældre ELAN
SRB-NA-R-C.35/CH2a-24V, som er udgået af produktion
